Skip to navigation Skip to main content
REZERVNI DELI ZA KMETIJSKE IN VRTNE STROJE
  • KONTAKT
  • Slovenščina
    • Hrvatski
Trgovina Parttis
Izberi kategorijo
  • Izberi kategorijo
  • Blažilci Vibracij
  • Cevi Goriva
  • Deli Za Traktorje
    • Batni Obročki Za Motor Traktorja
    • Deli Menjalnika Za Traktor
    • Deli Podvozja Za Traktorje
    • Deli Prikolic
    • Deli Sklopk Za Traktorje
      • Cilindri Sklopke
      • Lamele Sklopk Za Traktorje
      • Ostali Deli Sklopk
      • Potisne Plošče Za Traktorje
      • Potisni Ležaji
      • Zajle Sklopke Za Traktorje
    • Deli Škropilnic
    • Deli Za Dvižni Sistem Traktorja
    • Deli Za Motor Traktorja
      • Alternatorji Za Traktorje
      • Cevi Hladilne Tekočine Za Traktor
      • Črpalke Goriva Za Traktorje
      • Črpalke Olja Motorja Za Traktor
      • Glave Motorjev Za Traktorje
      • Grelne Svečke Za Traktor
      • Motorne Gredi Za Traktorje
      • Sesalni Kolektorji Za Traktorje
      • Termostati Za Motor Traktorja
      • Tesnila Za Motor Traktorja
      • Valji Za Motor Traktorja
      • Ventili Glave Motorja
      • Vodne Črpalke Za Traktorje
      • Zaganjači Za Motor Traktorjev
    • Filtri Za Traktorje
      • Filtri Ad Blue Za Traktor
      • Filtri Goriva Za Traktorje
      • Filtri Hidravličnega Olja Za Traktor
      • Filtri Kabine Za Traktor
      • Filtri Motornega Olja Za Traktor
      • Filtri Zraka Za Traktor
      • Zračni Predfiltri
    • Hidravlične Črpalke Za Traktorje
    • Hidravlične Komponente Za Traktorje
    • Hladilniki Vode Za Traktor
    • Izpušni Lonci Za Traktorje
    • Kardan
    • Karoserija
    • Končniki Volana Za Traktorje
    • Ostalo
    • Plinske Vzmeti Za Traktorje
    • Pnevmatike
    • Rezervni Deli Za Goseničarje
    • Rezervni Deli Za Mulčerje
    • Rezervoarji Goriva Za Traktorje In Deli
    • Sedeži Za Traktorje
    • Stikala Števci Konektorji
    • Svetila
      • Delovne Luči
      • Pozicijske Luči in Smerokazi
      • Rotacijske Luči
      • Zadnje Luči
      • Žarometi
    • Tritočkovni Sistem
      • Hitri Priklopi
      • Omejevalci Za Traktorje
      • Poteznice
      • Reducirne Puše
      • Sorniki
      • Spodnje Dvižne Roke Za Traktorje
      • Spojne Krogle
      • Varnostni Zatiči
      • Vertikalni Napenjalci Za Tritočkovni Sistem Traktorja
    • Uteži Za Traktorje
    • Žarnice
    • Zavorni Sistem
    • Zobniški Pari Za Traktor
  • Deli Za Vrtne Stroje
    • Deli Mehanizmov Zagona
    • Deli motorjev
      • Bati Za Vrtne Stroje
      • Batni Obročki Za Vrtne Stroje
      • Črpalke Goriva Za Vrtne Stroje
      • Deli Vplinjačev
      • Izpušni Lonci
      • Kapice Vžigalnih Svečk, Stikala
      • Komplet Valji
      • Lopute, Regulatorji, Oljne Črpalke
      • Membrane
      • Motorne Gredi, Odmične gredi, Ojnice
      • Objemke
      • Pokrovi Goriva in Olja
      • Pokrovi Motorjev, Ohišja
      • Rezervarji Goriva
      • Ročice Zagona
      • Sesalni Kolektorji Za Vrtne Stroje
      • Tesnila Za Vrtne Stroje
      • Vplinjači
      • Vžigalne svečke
      • Vztrajniki, Magneti
      • Zagonski Mehanizmi
    • Deli Podvozja In Kosišča
    • Deli Za Prekopalnike
    • Deli Za Strižne Kosilnice
    • Deli Za Vodne Pumpe
    • Filtri Goriva In Olja Za Vrtne Stroje
    • Filtri Zraka Za Vrtne Stroje
    • Jermenice
    • Kolesa
    • Kosilnice rezervni deli
      • Deflektorji Za Kosilnice
      • Košare Vrtnih Kosilnic
      • Nosilci Nožev
      • Pogoni Za Vrtne Kosilnice, Zobniki
      • Rezila Vrtnih Kosilnic
    • Motorne Kose deli
      • Glave Motornih Kos
      • Kosilne Nitke
      • Kotni In Fleksibilni Prenosi Motornih kos
      • Rezila Motornih Kos
      • Ščitniki Za Motorne Kose
    • Motorne žage rezervni deli
      • Cevi Olja Za Motorno Žago
      • Črpalke Olja Za Motorne Žage
      • Meči Motornih Žag
      • Napenjalci Verige Za Motorno Žago
      • Pokrovi Za Motorne Žage
      • Verige Motornih Žag
      • Verižniki Za Motorne Žage
    • Rabljeni Deli Za Vrtne Stroje
    • Rezervni Deli Za Motokultivatorje
    • Ročaji / Ročie
    • Ročice Plina
    • Sklopke Za Motorne Kose In Žage
    • Vžigalne Tuljave
    • Vzmeti
    • Zatiči, Varovalke, Sponke, Zagozde, Seeger
  • Jermeni
  • Ležaji, Semeringi, Oringi
  • Maziva
  • Nekategorizirano
  • Pletenice, Jeklenice
  • Puše
  • STROJI
    • Baterijska Oprema
    • Pnevmatski Obiralci Oljk
    • Traktorski Priključki
  • Uncategorized @sl
  • Vijaki, Matice, Podložke
  • Vzdrževalna Oprema
  • Zaščitna Oprema
0
0
0 items
Menu
Trgovina Parttis
0 items
Brskajte po kategorijah
  • Deli Za Traktorje
  • Deli Za Vrtne Stroje
    • Deli za vrtne stroje deli
      • Deli Mehanizmov Zagona
      • Deli Podvozja In Kosišča
      • Filtri Goriva In Olja Za Vrtne Stroje
      • Filtri Zraka Za Vrtne Stroje
      • Jermenice
      • Rabljeni Deli
      • Ročaji / Ročie
      • Ročice Plina
      • Sklopke
      • Vžigalne Tuljave
      • Vzmeti
      • Zatiči, Varovalke, Sponke, Zagozde, Seeger
    • Deli motorjev MOTOR
      • Bati
      • Batni Obročki
      • Črpalke Goriva
      • Deli Vplinjačev
      • Izpušni Lonci
      • Kapice Vžigalnih Svečk, Stikala
      • Komplet Valji
      • Lopute, Regulatorji, Oljne Črpalke
      • Membrane
      • Motorne Gredi, Odmične gredi, Ojnice
      • Objemke
      • Ohišja Filtra Zraka
      • Pokrovi Goriva in Olja
      • Pokrovi Motorjev, Ohišja
      • Rezervarji Goriva
      • Ročice Zagona
      • Sesalni Kolektorji
      • Tesnila
      • Vplinjači
      • Vžigalne svečke
      • Vztrajniki, Magneti
      • Zagonski Mehanizmi
    • VRTNI STROJI
      • Deli Za Prekopalnike
      • Deli Za Strižne Kosilnice
      • Kosilnice rezervni deli
      • Motorne Kose deli
      • Motorne žage rezervni deli
      • Rezervni Deli Za Motokultivatorje
  • Vzdrževalna Oprema
  • Jermeni
  • Vijaki, Matice, Podložke
  • Ležaji, Semeringi, Oringi
  • Pletenice, Jeklenice
  • Cevi Goriva
  • Blažilci Vibracij
  • Maziva
  • Zaščitna Oprema
  • Domov
    motorno-olje-hidravlicno-olje-menjalnisko-olje-olje-za-verige-motornih-zag

    Olja

    hrbtna-motorna-kosa-active-2.png

    Motorne Kose

    deli-za-prekopalnike-ricambi-per-motozappa

    Deli za vrtne stroje

    bateriske-skarje-zanon

    Baterijska Oprema

  • REZERVNI DELI
    • REZERVNI DELI TRAKTORJEV Novo
      • Mulčerjev
      • Škropilnic
      • Prikolic
    • REZERVNI DELI VRTNIH STROJEV velika izbira
      • Prekopalnikov
      • Strižnih kosilnic
      • Kosilnic
      • Motornih kos
      • Motornih žag
      • Motokultivatorjev
  • STROJI
    • BATERIJSKA OPREMA
    • PRIKLJUČKI ZA TRAKTORJE
    • PNEVMATSKI OBIRALCI OLJIK
    • MOTORNE KOSE
  • Kosovnice
O Podjetju
Dostava Artiklov

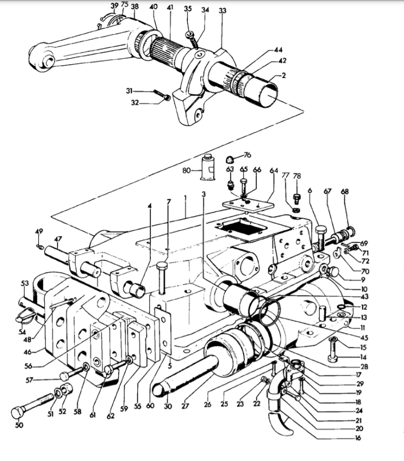
KOSOVNICA LANDINI 6030 – MEHANIZEM DVIGA, BAT DVIGA 001 063

Posted by Parttis Trgovina
24. decembra, 2021
On 24. decembra, 2021
kosovnca landini 6030 001 063 dvizni sistem
Vsebnik

ORING OSOVINE ZGORNJIH ROČIC DVIGA 3,53x59,92 LANDINI 6030, 6530F

€1,90
Dodaj v košarico
Vsebnik

DISTANČNIK OSOVINE ZGORNJIH ROČIC DVIGA LANDINI 6030

€24,40
Dodaj v košarico
Vsebnik

ORING BATA DVIŽNEGA SISTEMA 5,33x91,44 LANDINI 6030

€4,20
Dodaj v košarico
Vsebnik

ORING HIDRAVLIČNE CEVI 2,62x20,29 LANDINI 6030

€0,20
Dodaj v košarico
Vsebnik

TESNILNI OBROČ BATA DVIŽNEGA SISTEMA 85x90x4,7 LANDINI 6030

€13,70
Dodaj v košarico
ZETOR
ZENOAH
ZANON
ZAMA
YELLOW CUT
YANMAR
WOLF -GARTEN
WALBRO
VM MOTORI
VILLAGER
VIKING
VALTRA
VALPADANA
VALLORBE
UVEX
UTB
URSUS
UNIVERZAL
TYGON
TURFF TORQ
Tsumura
TOTAL
TOMO VINKOVIČ
TIMBERWOOD
Tillotson
TEXAS
Tecumseh
Tecomec
TANAKA
TAKEUCHI
Subaru
STRAUS AUSTRIA
ŠTORE
Stihl - Zama
Stihl - Walbro
Stihl - Tillotson
STIHL
STIGA
STEYR
STERWINS
SOLO
SKF
SHINDAIWA
SHELL
SEP
SCHAFFER
SARP
SANDRI GARDEN
SAME LAMBORGHINI HURLIMANN
SAME
RUGGERINI
ROBIN
RAMDA
POULAN
PETRONAS
Perkins
PELLENC
PASQUALI
PARTNER
ORSI
ORLEN
OPEM
OleoMac, Efco, Emak
OLEO-MAC
Nikki
NGP
NGK
MURRAY
MTD-MTECH
MTD M-TECH
MTD
MOUNTFIELD
MOTUL
MOTIP
MOJE AUTO
MOBIL
Mitsubishi
MEP
MEGAGROUP
MECCANICA BENASSI
MCCULLOCH,PARTNER,POULAN
McCulloch, Partner, Poulan
MC CULLOCH
MAYA
Massey Ferguson
Maruyama
Makita
MAFRA
Made In China
M-TECH
LOVOL
LONCIN
Lombardini
LIQUI MOLY
LAVERDA
LAUNTOP
LANDINI
Lamborghini
Labin Progress
KUBOTA
Komatsu
KOHLER
KING CRAFT
KAWASAKI
Jonsered
JOHN DEERE
JCB
IVECO
ISKRA
INO BREŽICE
IMT
IBEA
Husqvarna Electrolux Partner McCulloch AYP Craftsman MEP
HUSQVARNA
HURRICANE
HURLIMANN
HURICANE
HOP
HONDA
HOMELITE
Harry
HANSEATIC
GUTBROD
GREEN CUT
GRASSHOPPER
GOLDONI
GGP-CASTELGARDEN
GARTENXL
Gardol
GARDENA
FUCHS
FORD
FLORABEST
FIAT - NEW HOLLAND
FIAT
FERRARI
FENDT
Faster
Falconero
FAE
EUROSYSTEMS-SPA
Electrolux
EINHELL
EFCO
ECHO
DYNAMAC
DOLMAR
Deutz
DELL'ORTO
DAYE
Cummins
CUB CADET
CRC
Craftsman
COBO
CMI
CLAAS
CHAMPION
CBM
CATERPILLAR
CASTOR
Case
CARTECHNIC
CARRARO
CAMPAGNOLA
BRIGGS AND STRATTON
BLUE CUT
BLUE BIRD
BKS
BETA
BERTI
BCS
BARDAHL
AUTOLAND
Asia Import
AS-MOTOR
ARBOS
ARBOR
ANTONIO CARRARO
Annovi Reverberi
ALPINA
AL-KO
Active
ACME
YARD MAN
WEIBANG
SNAPPER
SCHEPPACH
RATO
PRAKTIK GARDEN
POWER ED
PARKSIDE
MCCORMIK
MASTERCUT
LUX
HECHT
GARDENLINE
CONCORD
CIFARELLI
BLACK-LINE

ZVEZDAN PAROVEL S.P. PARTTIS

ULICA 15.MAJA 5
6000 KOPER
SLOVENIJA
URNIK
  • Podpora pri spletnem nakupu - povpraševanja

pon. – pet.    8:00 – 16:00 ure
sobota    8:00 – 12:00 ure

  • Osebni prevzem ni možen
INFORMACIJE
  • O podjetju
  • Pogoji poslovanja
  • Dostava artiklov
  • Zasebnost Podatkov
KONTAKT
Mob: 00386 40 553 177
E-mail: parttis@gmail.com
Pparttis.eu 2021 CREATED BY ENOSTAVNO.com - Izdelava spletnih strani
  • Menu
  • Categories
  • Deli Za Traktorje
  • Deli Za Vrtne Stroje
  • Vzdrževalna Oprema
  • Jermeni
  • Vijaki, Matice, Podložke
  • Ležaji, Semeringi, Oringi
  • Pletenice, Jeklenice
  • Cevi Goriva
  • Blažilci Vibracij
  • Maziva
  • Zaščitna Oprema
  • DOMOV
  • REZERVNI DELI
  • STROJI
    • Baterijska Oprema
    • Traktorski Priključki
    • Pnevmatski Obiralci Oljk
  • Kosovnice
  • O podjetju
  • Dostava artiklov
  • Kontakt
  • Slovenščina
  • Hrvatski (Hrvaški)
  • Wishlist
  • Compare
  • Login / Register
Košarica
Zapri